
应用
通用型干燥设备,适应面较宽,广泛适用于制药、化工、食品、轻工、重工等行业物料及产品的加热固化、干燥脱水。如:原料药、生药、中药饮片、粉剂、颗粒、冲剂、大小蜜丸包装瓶、颜料、染料、脱水蔬菜、瓜果子、香肠、塑料树脂、电器原件、烘漆等。
特点
? 大部分热风在箱内循环,热效率高,节约能源。
? 利用强制通风作用,箱内设有可调式分风板,物科干燥均匀。热源可采用蒸汽,导热油、热水、电、远红外等,选择广泛。
? 整机噪音小,运转平衡,温度自控,安装维修方便。
? 适用范围广,可干燥各种物料,是通用干燥设备。
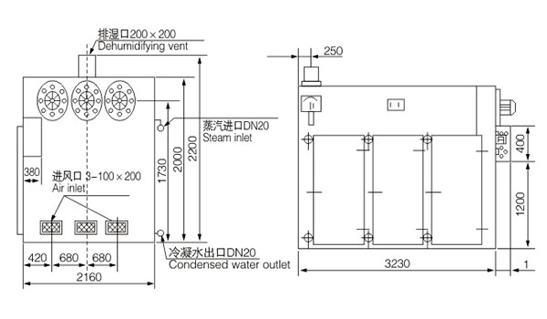
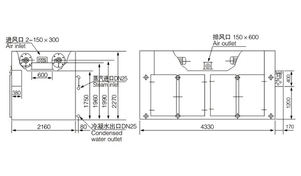
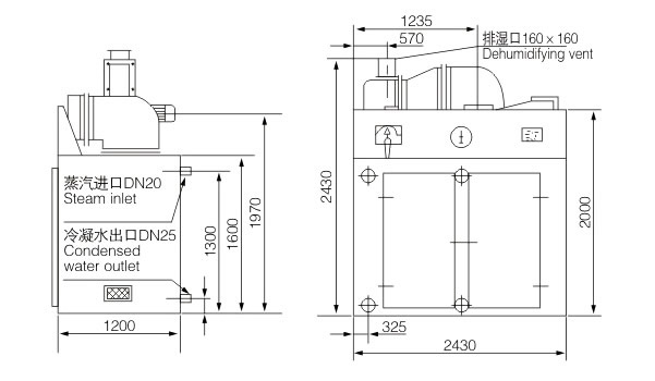
主要技术参数及有关说明
? 加热热源有蒸气、电、远红外、电蒸气两用,供用户选择。
? 使用温度:蒸气加热50—140℃,高150℃。
? 用电、远红外温度50-500℃。
? 备有自控系统和电脑控制系统供用户选择。
? 常用蒸汽压力0.02-0.8Mpa(0.2-8kg/cm2)。
? 配用电加热,按I型计算15KW,实用5-8kw/h。
? 特殊要求在定货时说明。
? 非标烘箱价格面议。
? 使用温度大于140℃或小于60℃,要在订货时注明。
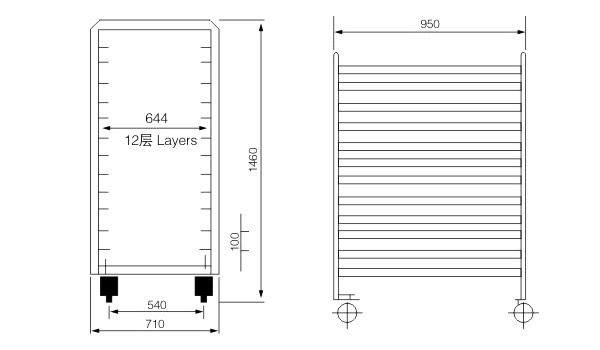
? 本厂出厂烘车,烘盘尺寸统一,可以互换。
? 烘盘尺寸:460x640x45(mm)。
原型号
典型用户
哈药集团制药总厂
东北制药总厂
云南白药
吉林修正药业有限公司
长春海外制药有限公司
华北制药集团
石家庄华曙制药集团
(中澳合资)天津瑞普药业有限公司
天津药业集团
烘箱配件
技术参数

本公司可按用户特殊要求定制生产,如有变动,恕不预先通知!
CT-O型
CT-C-O型
CT-I型
CT-C-I型
CT-II型
CT-C-II型
CT-III型
CT-C-III型
CT-IV型
烘盘
烘车